High Temperature Self Aligning Ball Bearing 1206 1207
|
Designations |
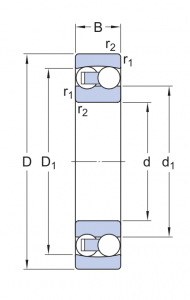
Boundary Dimensions |
Basic Load Ratings |
Mass (kg) |
||
|
d |
D |
B |
C0 |
Refer. |
|
|
1206 |
30 |
62 |
16 |
15.6 |
0.227 |
|
1207 |
35 |
67 |
17 |
19 |
0.396 |
For more information , please contact our email : info@cf-bearing.com



